Вэньчжоу Joepai Valve Co., Ltd.
Вэньчжоу Joepai Valve Co., Ltd.
Новости

Новости

JOEPAI представляет новые экономичные клапаны для пожарных гидрантов из нержавеющей стали 304 — превосходная коррозионная стойкость соответствует стандартам AS2419.2

ДЖОЭПАЙс гордостью представляет свою последнюю инновацию в области противопожарной инфраструктуры:Новый ассортиментКлапаны пожарных гидрантов из нержавеющей стали 304. Эти клапаны, разработанные с учетом долговечности, соответствия требованиям и экономичности, предлагаютпревосходная альтернатива традиционным латунным моделям— обеспечение повышенной коррозионной стойкости по более конкурентоспособной цене.

Разработан в соответствии сАС/НЗС 2419.2:2009Новые гидрантные клапаны идеально подходят для широкого спектра применений, включая коммерческие, промышленные и жилые противопожарные системы, особенно вагрессивная среда, такая как морская и горнодобывающая.


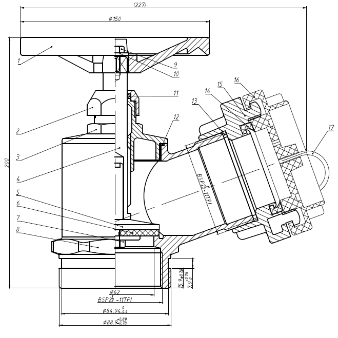
Stainless Steel 304 Fire Hydrant Valves

Основные характеристики продукта:

Тип резьбы: Угловой кованый адаптер Storz BSP, 65 мм, с пластиковым колпачком, защищающим от УФ-излучения.

Тип входа: Рулон 80 мм с канавками

Марка материала: Корпус, крышка, диск, гайка из CF8 (SS304); Вынос из нержавеющей стали SS316 для повышенной прочности.

Материал уплотнения: Резина NBR для надежной герметичности.

Маховик: Прочный чугун HT200.

Заканчивать: Яркое покрытие красного цвета.

Рабочее давление: 1400 кПа

Гидростатическое испытательное давление: 2700 кПа

Испытательное давление на герметичность: 800 кПа

Гарантия: 12 месяцев


Техническое соответствие:

Разработан и протестирован дляАС2419.2-2009

Плавная работа маховика без заеданий после сборки.

100 % проверено и испытано — никаких дефектов после гидростатических испытаний и испытаний на герметичность.


Почему стоит выбрать SS304 вместо латуни?

Лучшая коррозионная стойкость: Идеально подходит для суровых условий, где латунь может со временем деградировать.

Экономичный: Предлагает более доступное решение без ущерба для качества и производительности.

Легкий, но сильный: Легче обращаться и устанавливать при сохранении структурной целостности.


Другие доступные конфигурации:

65 мм NSW с наружной резьбой x 80 мм с роликовыми канавками

Внешняя резьба CFA 65 мм x 80 мм с роликовыми канавками

65 мм QRT «папа» x 65 мм «папа» BSP

65 мм BI x 80 мм, рулонный с желобками

65 мм QRT с наружной резьбой x 80 мм с роликовыми канавками

Адаптер Storz 65 мм x 65 мм «папа» BSP

Независимо от того, модернизируете ли вы существующую систему или разрабатываете новый проект, новые гидрантные клапаны JOEPAI SS304 предлагаютидеальный баланс производительности, соответствия требованиям и доступности.

Свяжитесь с нами сегоднячтобы узнать больше или запросить ценовое предложение.

Похожие новости
Оставьте мне сообщение
X
Мы используем файлы cookie, чтобы предложить вам лучший опыт просмотра, анализировать трафик сайта и персонализировать контент. Используя этот сайт, вы соглашаетесь на использование нами файлов cookie. политика конфиденциальности
Отклонять Принимать