Вэньчжоу Joepai Valve Co., Ltd.
Вэньчжоу Joepai Valve Co., Ltd.
Новости

Новости

Почему наш экономичный трехкомпонентный шаровой кран высокого давления из кованой стали является хорошим выбором?

Что такое трехкомпонентный шаровой кран высокого давления из кованой стали?

A Трехкомпонентный шаровой кран высокого давления из кованой сталиотносится к высокопрочному шаровому крану с корпусом, состоящим из трех частей, соединенных болтами. Его запирающий элемент представляет собой точно обработанный шарик, который вращается вокруг центральной линии корпуса клапана с помощью штока клапана для достижения быстрого перекрытия, распределения или переключения потока среды.


Описание продукта

Трехсоставные шаровые краны из кованой стали просты в эксплуатации, компактны, надежно герметизированы, просты по конструкции и просты в обслуживании. Уплотняющая поверхность и шар всегда находятся в закрытом состоянии, что делает их менее подверженными эрозии средой. Они широко используются в различных отраслях промышленности.

Корпус клапана формируется методом ковки, а материалом может быть нержавеющая сталь (например, F304, F316) или углеродистая сталь (например, A105). Кованые стальные материалы обладают такими характеристиками, как плотная структура, отличные механические свойства и высокая ударопрочность, что делает их особенно подходящими для условий работы под высоким давлением и высокой прочностью.

В соответствии с потребностями трубопроводной системы можно выбрать различные методы соединения, такие как резьбовое соединение (NPT, BSP-P(G), BSPT(Rc)), стыковая сварка (BW), раструбная сварка (SW)g или фланцевое соединение, что обеспечивает гибкую установку и высокую адаптируемость.

Расчетное давление может достигать 1500 фунтов, что делает его пригодным для транспортных систем высокого давления в таких областях, как нефть, химическая промышленность и природный газ.


Стандарты трехкомпонентного шарового крана из кованой стали:

1) Стандарты проектирования и производства: BS5351, MSS SP-118.

2) Размеры соединительного конца: ANSI B16.10, JB/T1715.

Размеры приварного конца враструб: ANSI B16.11, JB/T1715

Размеры резьбового конца: ANSI B1.12.1, JB/T7306.

Размеры концов под стыковую сварку: ANSI B16.25, JB/T12224.

3) Тестирование и проверка: API 598.

4) Стандарты материалов: ANSI/ASTM


3-Piece Forged Steel High-pressure Ball Valve


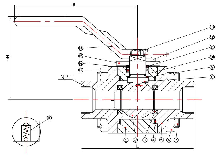
Основная таблица материалов:

Нет. Название детали Углеродистая сталь Нержавеющая сталь
1 Тело А105 F304 F304L Ф316 F316L
2 Мяч СС304 F304 СС304Л СС316 СС316Л
3 Сиденье ПТФЭ, РПТФЭ
4 Прокладка SS304/SS316 + Графит
5 Кепка А105 F304 F304L Ф316 F316L
6 Орех А194-2Н А194-8 А194-8М
7 Болт А193-Б7 А193-Б8 А193-Б8М
8 Корень СС304 F304 СС304Л СС316 СС316Л
9 Упорная шайба ПТФЭ, РПТФЭ
10 уплотнительное кольцо Витон
11 железа СС304 СС304 СС304 СС316 СС316
12 Болт 1035
13 Орех Нержавеющая сталь
14 Ручка ВКБ, нержавеющая сталь
15 Ограниченная пластина 1025
16 Предотвратить пожарное кольцо СС304, СС316
17 Упаковка Графит
18 Весна СС304, СС316


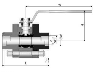
Таблица основных размеров:

Ду мм NPS (дюймы) L мм Д мм Хм
15 1/2 дюйма 92 13 66
20 3/4 дюйма 112 19 72
25 1 ” 126 24 100
32 11/4 дюйма 129 30 105
40 11/2 дюйма 152 38 112
50 2” 176 49 122


3-Piece Forged Steel High-pressure Ball Valve3-Piece Forged Steel High-pressure Ball Valve3-Piece Forged Steel High-pressure Ball Valve3-Piece Forged Steel High-pressure Ball Valve



Профессиональная производственная гарантия – Вэньчжоу Joepai Valve Co., Ltd.

Как компания, специализирующаяся на исследованиях, разработке и производстве шаровых кранов из нержавеющей и углеродистой стали,Вэньчжоу Joepai Valve Co., Ltd.расположена в промышленном парке Биньхай района Лунвань города Вэньчжоу, известном как «Китайский город клапанов». Компания может похвастаться современной производственной базой и комплексной системой контроля качества. Компания оснащена:

Профессиональный научно-исследовательский центр и обрабатывающее оборудование с ЧПУ

Усовершенствованные инструменты тестирования (такие как компьютерные инструменты многоэлементного анализа, твердомеры Либа и толщиномеры)

Машины для испытаний под давлением, машины для испытаний жизненного цикла и другие платформы для комплексных испытаний.

Опираясь на строгие процессы и постоянные инновации, Joepai Valve гарантирует, что каждый шаровой кран высокого давления из кованой стали 3PC соответствует высоким стандартам производительности, предоставляя клиентам безопасные, надежные инадежные клапанные решения.


Похожие новости
Оставьте мне сообщение
X
Мы используем файлы cookie, чтобы предложить вам лучший опыт просмотра, анализировать трафик сайта и персонализировать контент. Используя этот сайт, вы соглашаетесь на использование нами файлов cookie. политика конфиденциальности
Отклонять Принимать